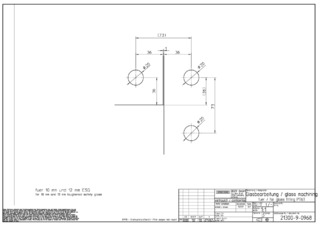
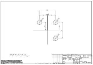
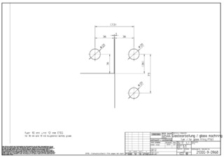
PT 63 * Üveg fitting sarokelem-/sarokösszekötő vasalat ütközővel
- Elegáns takarósapkák polírozott vagy szálcsiszolt nemesacélból
- Gond nélkül hozzáigazítható a 10 - 12 mm-es üvegvastagsághoz
Alkalmazási területek
- Rögzített teliüveg rendszerekhez
- 10 és 12 mm-es üvegvastagsághoz
- Bel- és kültéri rendszerekhez
Termékspecifikációk
| PT 63 | |
| Méretek | 105 x 32 x 105 mm |
| Szélesség | 32 mm |
| Hosszúság | 105 mm |
| Magasság | 105 mm |
| Üvegvastagság (min.) | 10 mm |
| Üvegvastagság (max.) | 12 mm |
| Szerelési mód | Üvegrögzítés |
Letöltések
LABELLING OBLIGATION: © GEZE GmbH
Változatok és tartozékok
* Megjegyzés a bemutatott termékekkel kapcsolatban
A fent említett termékek formájukat, típusukat, jellemzőiket és funkcióikat (kialakítás, méretek, elérhetőség, jóváhagyások, szabványok stb.) tekintve országonként eltérőek lehetnek. Kérdések esetén kérjük, forduljon GEZE kapcsolattartójához vagy küldjön nekünk E-Mail .