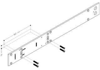
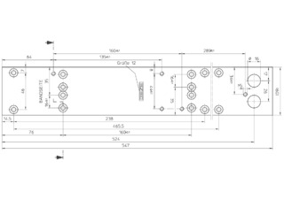
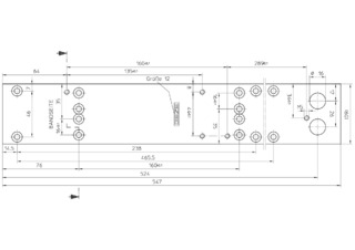
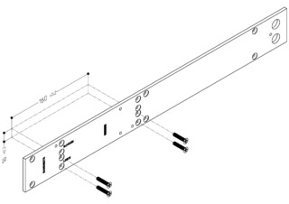
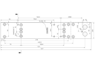
Szerelőlap ajtócsukóhoz * TS 5000 RFS KM / TS 4000 R(-IS) számára DIN EN 1154 1. melléklet szerinti furatképpel
- DIN EN 1154 1. kiegészítése szerinti furatképpel
Alkalmazási területek
- A csukótest szerelése DIN-es furatkép szerint
Termékspecifikációk
| Szerelőlap ajtócsukóhoz | |
| Szerelőlap EN 1154 melléklet szerinti furatképpel | Igen |
Letöltések
Változatok és tartozékok
* Megjegyzés a bemutatott termékekkel kapcsolatban
A fent említett termékek formájukat, típusukat, jellemzőiket és funkcióikat (kialakítás, méretek, elérhetőség, jóváhagyások, szabványok stb.) tekintve országonként eltérőek lehetnek. Kérdések esetén kérjük, forduljon GEZE kapcsolattartójához vagy küldjön nekünk E-Mail .