TS 4000 EN 5-7 * Felső szerelésű, rudazatos ajtócsukóhoz egyszárnyú, max. 1600 mm szárnyszélességű ajtókhoz
- Fokozatmentesen beállítható csukóerő EN 5-7 között
- Jobbra és balra nyíló ajtókhoz átállítás nélkül használható
- Mechanikus végzárás, amely röviddel a csukott helyzet előtt felgyorsítja az ajtót
- A csukási sebesség egyénileg beállítható
- Integrált nyitófék, fékezi az erősen nyitott ajtókat
- Optikai csukóerő kijelző a beállítás könnyű ellenőrzéséhez
Alkalmazási területek
- Tűz- és füstgátló ajtók
- Jobbos és balos ütközőajtók
- Max. 1600 mm szárnyszélességű ütközőajtók
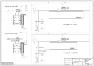
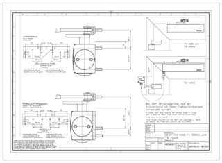
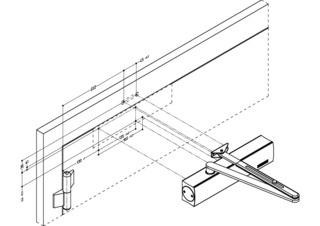
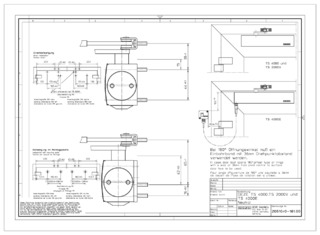
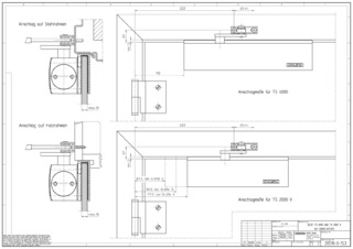
- Ajtólapra szerelés a pánt felőli oldalon és ajtótokra szerelés a pánttal ellentétes oldalon
Beszerelési helyzetek a referenciaobjektumokban és a videókban
Termékspecifikációk
| TS 4000 EN 5-7 | |
| EN 1154 szerinti csukóerő | EN 5 - 7 |
| Szárnyszélesség (max.) | 1600 mm |
| Szerelési mód | Ajtólapra szerelés a pánt felőli oldalon, Ajtótokra szerelés a pánttal ellentétes oldalon |
| Nyílásszög (max.) | 180 ° |
| Alkalmazhatóság tűzgátló ajtóként | Igen |
| Beállítható csukóerő | Igen, fokozatmentes |
| Csukási sebesség beállítható | Igen |
| Beállítható végzárás | Igen, rudazattal |
| Csukóerő-állítás helye | Elöl |
| Optikai csukóerő kijelző | Igen |
| Rögzítés | Opcionális |
Letöltések
Változatok és tartozékok
* Megjegyzés a bemutatott termékekkel kapcsolatban
A fent említett termékek formájukat, típusukat, jellemzőiket és funkcióikat (kialakítás, méretek, elérhetőség, jóváhagyások, szabványok stb.) tekintve országonként eltérőek lehetnek. Kérdések esetén kérjük, forduljon GEZE kapcsolattartójához vagy küldjön nekünk E-Mail .