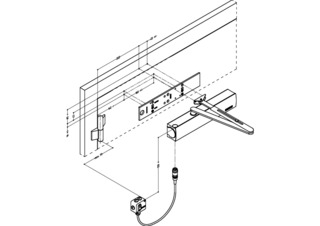
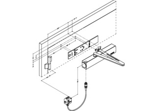
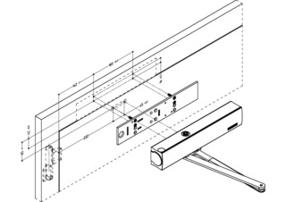
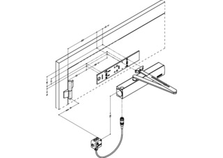
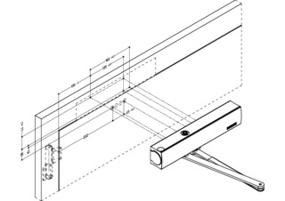
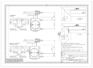
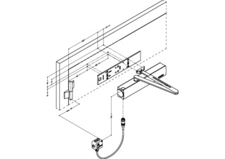
TS 4000 E * Felső szerelésű, rudazatos ajtócsukó egyszárnyú, max. 1400 mm szárnyszélességű ajtókhoz, elektromos rögzítéssel
- Fokozatmentesen beállítható csukóerő EN 1-6 között
- Üzemi feszültség 24 V DC
- Jobbra és balra nyíló ajtókhoz átállítás nélkül használható
- Elektromos rögzítés 80°-175°-os rögzítési tartománnyal
- EN 1155 szerinti elektromos rögzítés, rögzítőberendezésekhez alkalmas
- Mechanikus végzárás, amely röviddel a csukott helyzet előtt felgyorsítja az ajtót
- A csukási sebesség egyénileg beállítható
- Optikai csukóerő kijelző a beállítás könnyű ellenőrzéséhez
- Minden funkció elölről beállítható (a végzárás kivételével)
Alkalmazási területek
- Tűz- és füstgátló ajtók
- Jobbos és balos ütközőajtók
- Max. 1400 mm szárnyszélességű ütközőajtók
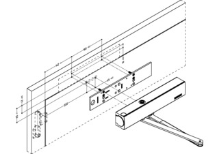
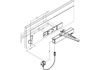
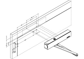
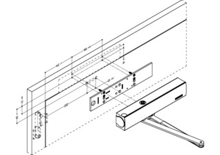
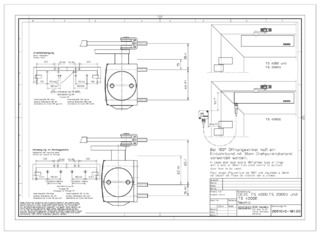
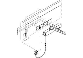
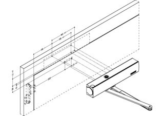
- Ajtólapra szerelés a pánt felőli oldalon és ajtótokra szerelés a pánttal ellentétes oldalon
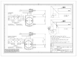
Termékspecifikációk
| TS 4000 E | |
| EN 1154 szerinti csukóerő | EN 1 - 6 |
| Akadálymentes a DIN 18040 szerint eddig a szárnyszélességig (max.) mm-ben | 1400 mm |
| Szárnyszélesség (max.) | 1400 mm |
| Szerelési mód | Ajtólapra szerelés a pánt felőli oldalon, Ajtótokra szerelés a pánttal ellentétes oldalon |
| Nyílásszög (max.) | 180 ° |
| Bemeneti feszültség | 24 V DC |
| Alkalmazhatóság tűzgátló ajtóként | Igen |
| Beállítható csukóerő | Igen, fokozatmentes |
| Csukási sebesség beállítható | Igen |
| Beállítható végzárás | Igen, rudazattal |
| Csukóerő-állítás helye | Elöl |
| Optikai csukóerő kijelző | Igen |
| Rögzítés | Elektromos |
| Rögzítési tartomány | 80 ° - 175 ° |
Letöltések
LABELLING OBLIGATION: © GEZE GmbH
Változatok és tartozékok
* Megjegyzés a bemutatott termékekkel kapcsolatban
A fent említett termékek formájukat, típusukat, jellemzőiket és funkcióikat (kialakítás, méretek, elérhetőség, jóváhagyások, szabványok stb.) tekintve országonként eltérőek lehetnek. Kérdések esetén kérjük, forduljon GEZE kapcsolattartójához vagy küldjön nekünk E-Mail .