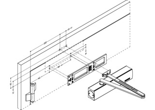
TS 4000 EN 5-7 with hold-open arm * Overhead door closer with link arm for single leaf doors with a leaf width of up to 1600 mm
- Closing force with variable adjustment from EN 5-7
- Can be used for right and left hand doors without conversion
- Mechanical hold-open unit through hold-open linkage with hold-open area 70°-150°
- Hydraulic latching action which accelerates the door shortly before it is closed
- Closing speed can be individually adjusted
- Integrated opening break function, slows down doors that are thrown open forcefully
- Visual closing force display for easy control of the setting
- All functions can be set from the front (except for latching action)
Application Areas
- Right and left single-action doors
- Holds doors without smoke and fire protection requirements open
- Single-action doors up to 1600 mm leaf width
- Door leaf installation hinge side
Technical data
| TS 4000 EN 5-7 with hold-open arm | |
| Closing force in accordance with EN 1154 | EN 5 - 7 |
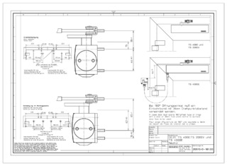
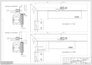
| Leaf width (max.) | 1600 mm |
| Type of installation | Door leaf installation hinge side |
| Opening angle (max.) | 180 ° |
| Closing force adjustable | Yes, stepless |
| Adjustable closing speed | Yes |
| Latching action adjustable | Yes, via link arm |
| Back check integrated | Yes, hydraulically adjustable |
| Position of closing force adjustment | Front |
| Visual closing force display | Yes |
| Hold-open function | Mechanical |
| Hold-open range | 50 ° - 170 ° |
Downloads
Variants & Accessories
* Notice about the products displayed
The products mentioned above may vary in form, type, characteristics and function (design, dimensions, availability, approvals, standards etc.) depending on the country. For questions please contact your GEZE contact person or send us an E-Mail .